|
中国汽车工程学会标准解读 | T/CSAE 393-2024《乘用车车身控制器信号质量测试方法》
2025-02-19
|
|
前言:2024年11月,基于乘用车车身控制器的团体标准《乘用车车身控制器信号质量测试方法》经过起草组一年零六个月的努力,依托中国汽车工程学会形成标准号为T/CSAE 393-2024的团体标准,并正式在中国汽车工程学会信息平台发布。 本标准适用于乘用车,根据GB/T 28046.1-2011道路车辆电气及电子设备的环境条件和试验 第一部分:一般规定,试验电压分为12V系统和24V系统。12V系统普遍适用于乘用车,24V系统普遍适用于商用车。其他车型所用的48V系统供电电压相关的ISO标准2020年发布,标称电压在36V~52V范围内,超出绝大多数乘用车使用芯片的工作电压范围,暂不具备普适性,故本标准适用的系统供电电压为12V。 乘用车搭载的所有控制器在样件回板后,均需进行信号质量测试,用于验证控制器电路原理图和PCB布局设计,确保控制器的性能和可靠性,保证产品质量的稳定性和一致性。控制器的信号质量测试项目和测试方法暂无相关的标准用于支撑其合理性,存在测试项遗漏、测试条件不充分、测试步骤不规范等问题,造成不可忽视的影响。在中国汽车工程学会的指导下,由东风汽车集团股份有限公司牵头,在中国第一汽车集团有限公司、北京国家新能源汽车技术创新中心有限公司等6家单位29名工程师的支持下,完成首个基于车身控制器的信号质量测试团体标准,其他控制器的信号质量测试可参照执行,以期覆盖到乘用车上所有的控制器。 团体标准主要包含七大部分,其中主要部分由:工作模式、一般测试要求、测试方法构成,测试方法中包含了电源电压、电源时序、静态电流、SPI总线、CAN总线、输入/输出等接口测试的测试目的、测试系统示意图、测试步骤、结果处理,其中结果处理部分借鉴GB/T 36048-2018 乘用车CAN总线物理层技术要求、GB/T 42691.4-2023 道路车辆 局域互联网络等国家标准的要求。 工作模式主要分为:工作模式1、工作模式2、工作模式3,分表描述了车身控制器在整车不同上电状态下的连接方式和运行模式以及对应的试验电压要求,根据GB/T 28046 标准的要求选择试验电压范围的最小值和最大值。 测试前准备工作:根据车身控制器测试需求完成测试软件开发,制作模拟负载板和测试线束,测试线束如有屏蔽和抗干扰要求的,应按要求增加屏蔽,准备通信设备和监测设备,搭建测试环境。
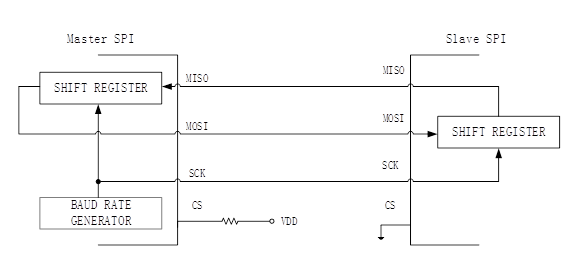
测试方法对工作模式的选择、测试设备的设置、测试点/测试接口的规定、测试参数、测试步骤进行定义,测试数据的分析基于设计文档和引用标准进行,本标准不提供测试数据判定的依据。 解读文章中仅对SPI总线的测试方法及要求进行解读,测试系统示意图如下图1所示:
图1 SPI总线通信测试系统示意图
图2 SPI总线通信信号传输框图 测试过程中需注意测试点的选择,测试点1选择靠近主机端,测试点2、测试点3、测试点4靠近从机端。原因是信号是单向的,在发送端测试会有回沟和反射,在接收端测得的信号较干净。由于不同芯片规格书中对SPI总线的时序要求有差异,其测试结果应满足车身控制器所用SPI通信芯片的芯片规格书中SPI总线接口规定的要求,本标准不做明确的规定和要求。 测试结束后,根据各厂商测试数据记录的模板整理测试数据,参照设计文档和相关国标的要求进行对比,测试判定不满足要求的需反馈给设计端进行整改,达到本标准制定的目标和意义。 信号质量测试主要在芯片外围进行测试,验证控制器电路设计和PCB设计的合理性,同时也有助于在国产芯片的导入中发现问题。我们希望,通过本标准的研究和测试方法的制定,引发汽车行业对控制器信号质量测试的关注,在设计开发流程中制定相关的测试标准和报告模板,保证控制器导入量产质量的可靠性。标准内容无法覆盖所有细节,以期后来的开发者和研究者们基于标准主体,进行不断实践、探索与革新。 |


